Drones
Flight controller PCB
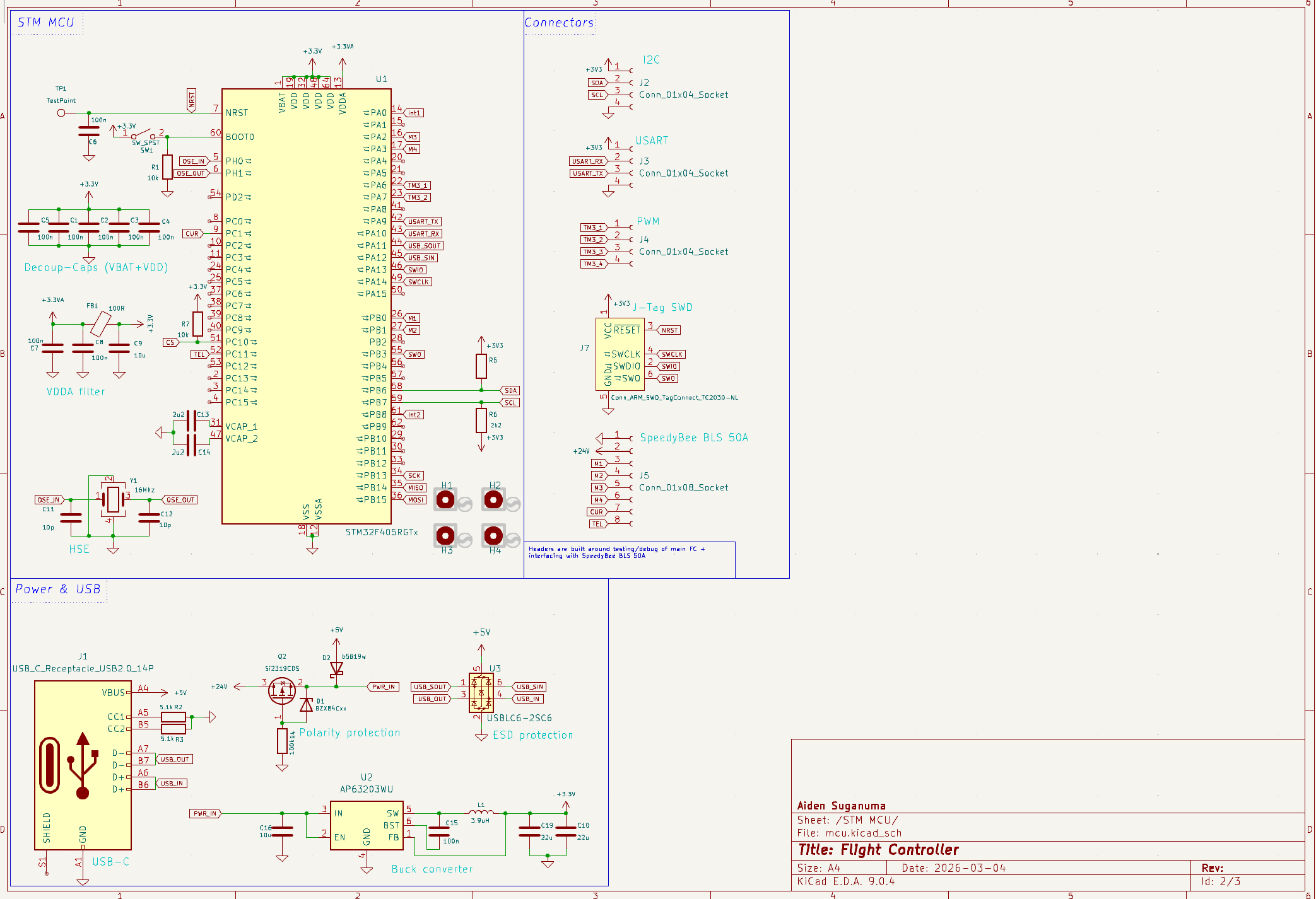
I built this flight controller from part selection to layout in 1 day as my cover letter for a drone company I applied to.


Technical Specifications
CPUSTM32
Programming6-pin JTAG & USB-C
SafetyReset test pad; reverse polarity protection; ESD protection for USB and buck converter
Built around6S battery